General Spare Parts

General Spare Parts generally comprise the classifications of common, vulnerable mechanical parts in the oilwell drilling process and the oil production process, and such parts can be basically universal and used in different working processes. It mainly includes Unions, Flanges, Movable Bends, Rubber Hoses etc..

Following is our product reference list, please kindly contact us and let us know your needs.

Telescopic Steel Union

API Spec 16C

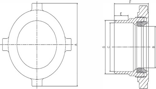
Telescopic steel union is the upgrading and updating product of the pneumatic tire union. Owing to excellent performance of the telescopic steel union, big dislocation won't affect its connection and sealing to pipeline so as to meet the requirements of quick on-site as sembly and disassembly, greatly reducing the labor intensity of workers and shortening the well construction period.


Specification of 3-pieces steel union

Specification of 4-pieces steel union

Contact us

Black Snow Oilwell Machinery Co. Ltd.

www.blxnow.com

phone: 86 10 61998816

mobile: 86 18611589801

e-mail: philiphyster@gmail.com

Social Contacts